
0755-21631136
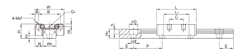
香蕉视频TV下载都知道,MGN7H是上银微型滑块MGN7C的加长版,总长度比MGN7C长了8.3mm,能承受更大的负荷,今天,香蕉视频TV下载就带大家了解一下HIWIN上银微型滑块MGN7H尺寸表,让您的直线香蕉视频APP下载选型有个参考。
从上图的MGN7H上银微型滑块尺寸表,香蕉视频TV下载可以看到,这两个规格的直线香蕉视频APP下载,除了总长度,以及螺丝孔安装尺寸,其余的尺寸,都是一样的,在精度允许的范围内,香蕉视频APP下载可以任意互换。具体的尺寸参数,朋友们可以参考上图,或者联系香蕉视频TV下载香蕉视频TV下载,香蕉视频TV下载免费提供上银微型滑块的选型资料。
香蕉视频TV下载传动,12年专注上银微型直线香蕉视频APP下载传动与控制,15年直线香蕉视频APP下载选型与应用经验的工程师提供技术支持,服务各种自动化设备,数控加工设备,医疗器械等直线香蕉视频APP下载传动系统。详情可致电13751136246或访问网址:www.ochiai-dc.com进行咨询,香蕉视频TV下载将会为您解决更多直线香蕉视频APP下载选型及应用难题。 喷塑流水线设备 http://www.chinaxks.com/products_list_21_1.html
咨询热线
0755-21631136
137511362460755-21631136
419865446@qq.com
深圳市宝安区松岗松涛社区广深路122号香蕉视频TV下载传动科技园研创大楼三楼