

0755-21631136
在HIWIN上银微型直线香蕉视频APP下载的众多型号规格中,9号的大小尺寸是怎样的?香蕉视频TV下载今天就来说说。所谓9号,就是指香蕉视频APP下载的宽度是9mm,这个规格的香蕉视频APP下载,属于微型香蕉视频APP下载MGN系列范畴,具体也有以下几种型号。
1,上银香蕉视频APP下载MGN9C型以及MGN9H型
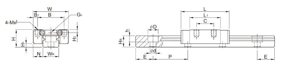
根据上银香蕉视频APP下载型号的命名规则,MGN9C是标准型滑块,MGN9H是加长型滑块。它们两者之间的区别,只在于滑块的长度,具体尺寸,香蕉视频TV下载可以参考下图:
|
型号 |
组件尺寸 (mm) |
滑块尺寸(mm) |
香蕉视频APP下载尺寸(mm) |
香蕉视频APP下载的 固定螺 栓尺寸 |
基本
动额 定负荷 |
基本 静额 定负荷 |
容许静力矩 |
重量 |
||||||||||||||||||||
| Mr | Mp | My | 滑块 | 香蕉视频APP下载 | ||||||||||||||||||||||||
| H | H1 | N | W | B | B1 | C | L1 | L | G | Gn | M*L | H2 | Wr | Hr | D | h | d | p | E | mm | C(kN) | Co(kN) | N-m |
N-m |
N-m |
kg | kg/m | |
| MGN9C |
10 |
2 |
5.5 |
20 |
15 |
2.5 |
10 | 18.9 | 28.9 |
- |
φ1.4 |
M3*3 |
1.8 |
9 |
6.5 |
6 |
3.5 | 3.5 | 20 | 7.5 | M3*8 | 1.86 | 2.55 | 11.76 | 7.35 | 7.35 | 0.016 | 0.38 |
|
MGN9H |
16 | 29.9 | 39.9 | 3.5 | 3.5 | 20 | 7.5 | 3.5 | 3.5 | 7.5 | 19.60 | 18.62 | 18.62 | 0.026 | 0.38 |
|
||||||||||||
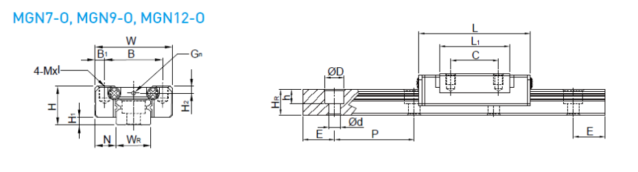
2,上银香蕉视频APP下载MGN9C-O以及MGN9H-O
具体的型号参数,香蕉视频TV下载可以参照下图。
|
型号 |
组件尺寸 (mm) |
滑块尺寸(mm) |
香蕉视频APP下载尺寸(mm) |
香蕉视频APP下载的 固定螺 栓尺寸 |
基本
动额 定负荷 |
基本 静额 定负荷 |
容许静力矩 |
重量 |
||||||||||||||||||||
| Mr | Mp | My | 滑块 | 香蕉视频APP下载 | ||||||||||||||||||||||||
| H | H1 | N | W | B | B1 | C | L1 | L | G | Gn | M*L | H2 | Wr | Hr | D | h | d | p | E | mm | C(kN) | Co(kN) | N-m |
N-m |
N-m |
kg | kg/m | |
| MGN9C-O |
10 |
2.2 |
5.5 |
20 |
15 |
2.5 |
10 | 19.4 | 30 |
- |
φ1.4 |
M3*3 |
1.8 |
9 |
6.5 |
6 |
3.5 | 3.5 | 20 | 7.5 | M3*8 | 2.01 | 2.84 | 13.05 | 8.97 | 8.97 | 0.012 | 0.38 |
|
MGN9H-O |
16 | 29.3 | 39.9 | 3.5 | 3.5 | 20 | 7.5 | M3*8 | 2.5 | 3.93 | 19.71 | 21.47 | 21.47 | 0.02 | 0.38 |
|
||||||||||||
咨询热线
0755-21631136
137511362460755-21631136
419865446@qq.com
深圳市宝安区松岗松涛社区广深路122号香蕉视频TV下载传动科技园研创大楼三楼