
0755-21631136
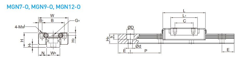
HIWIN上银12mm的微型直线香蕉视频APP下载,型号有MGN12以及MGN12-O,属于微小型滚珠线性香蕉APP破解版.它的体积小,重量轻,多应用于检测仪器,自动锁螺丝机,医疗器械,印表机,电子仪器设备,半导体设备等。它的尺寸规格,香蕉视频TV下载参阅下表。
1,上银微型直线香蕉视频APP下载型号MGN12详情介绍
|
型号 |
组件尺寸 (mm) |
滑块尺寸(mm) |
香蕉视频APP下载尺寸(mm) |
香蕉视频APP下载的 固定螺 栓尺寸 |
基本
动额 定负荷 |
基本 静额 定负荷 |
容许静力矩 |
重量 |
||||||||||||||||||||
| Mr | Mp | My | 滑块 | 香蕉视频APP下载 | ||||||||||||||||||||||||
| H | H1 | N | W | B | B1 | C | L1 | L | G | Gn | M*L | H2 | Wr | Hr | D | h | d | p | E | mm | C(kN) | Co(kN) | N-m |
N-m |
N-m |
kg | kg/m | |
| MGN12C | 13 |
3 |
7.5 |
27 |
20 |
3.5 | 15 | 28.9 |
- |
φ1.4 |
M3*3 |
1.8 |
9 |
6.5 |
6 |
3.5 | 3.5 | 20 | 10 | M3*8 | 2.84 | 3.92 | 25.48 | 13.72 | 13.72 | 0.034 | 0.65 | |
|
MGN12H |
20 | 32.4 | 39.9 | 3.5 | 3.5 | 20 | 10 | M3*8 | 3.72 | 5.88 | 38.22 | 36.26 | 36.26 | 0.054 | 0.65 | |||||||||||||
1,上银微型直线香蕉视频APP下载型号MGN12-O详情介绍
|
型号 |
组件尺寸 (mm) |
滑块尺寸(mm) |
香蕉视频APP下载尺寸(mm) |
香蕉视频APP下载的 固定螺 栓尺寸 |
基本
动额 定负荷 |
基本 静额 定负荷 |
容许静力矩 |
重量 |
||||||||||||||||||||
| Mr | Mp | My | 滑块 | 香蕉视频APP下载 | ||||||||||||||||||||||||
| H | H1 | N | W | B | B1 | C | L1 | L | G | Gn | M*L | H2 | Wr | Hr | D | h | d | p | E | mm | C(kN) | Co(kN) | N-m |
N-m |
N-m |
kg | kg/m | |
| MGN12C-O | 13 |
3 |
7.5 |
27 |
20 |
3.5 | 15 | 22 | 35 |
- |
φ2 |
M3*3.5 |
2.5 |
12 |
8 |
6 |
4.5 | 3.5 | 25 | 10 | M3*8 | 2.84 | 3.92 | 25.48 | 13.72 | 13.72 | 0.025 | 0.65 |
|
MGN12H-O |
20 | 34.6 | 47.6 | 4.5 | 3.5 | 25 | 10 | M3*8 | 4.27 | 5.9 | 38.4 | 37.49 | 37.49 | 0.047 | 0.65 | |||||||||||||
咨询热线
0755-21631136
137511362460755-21631136
419865446@qq.com
深圳市宝安区松岗松涛社区广深路122号香蕉视频TV下载传动科技园研创大楼三楼